- 技术参数
- 外形尺寸图
- 电子样本下载
-
- 商品名称: 低真空电磁压差充气阀
- 商品编号: E-005
- 型号: DYC-Q型系列
DYC-Q型系列低真空电磁压差充气阀是安装在机械真空泵进气口上的一种专用真空阀。其工作原理是机械泵的电源和电磁阀线圈的电源接在同一电源上,当机械真空泵因工作需要突然停电、停止运转时,该阀利用大气压使阀芯自动关闭,截止和真空系统相连的通道,同时向泵内放大气,防止机械泵油返回真空系统,起到了保护真空系统作用,有利于机械泵再启动。适用的工作介质为空气及非腐蚀性气体。
- 适用范围(Pa) 105~10-2
- 阀门漏率(Pa.L/S) ≤6.5×10-2
- 介质温度(℃) -25~+40
- 开闭时间 ≤3
- 电源电压 220/50 可选DC24V
- 安装方式 垂直
- 可选防爆线圈
-

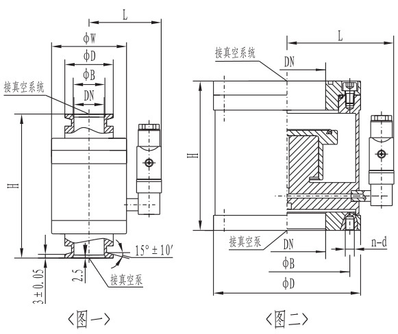
(图一)(KF)连接及外形尺寸(GB4982)
型 号
通径(DN)
ΦW
ΦD
ΦB
H
L
法兰标准
DYC-Q16/KF
16
60
30
17.2
115
72
GB4982
DYC-Q25/KF
25
70
40
26.2
130
76
DYC-Q32/KF
32
90
55
41.2
150
85
DYC-Q40/KF
40
100
55
41.2
160
90
DYC-Q50/KF
50
110
75
52.2
195
95
/
注:DYC-Q32/KF法兰采用KF40标准
(图二)连接及外形尺寸(GB/T6070)
型 号
通径(DN)
ΦD
ΦB
H
L
n-d
法兰标准
DYC-Q16
16
60
45
75
72
4-M6
GB/T6070
DYC-Q25
25
70
55
90
76
4-M6 GB/T6070 DYC-Q32
32
90
70
100
85
4-M8
GB/T6070 DYC-Q40
40
100
80
110
90
4-M8 GB/T6070 DYC-Q50
50
110
90
123
95
4-M8 GB/T6070 DYC-Q65
65
125
105
147
102
4-M8 JB-919-75 DYC-Q80
80
145
125
145
112
4-M8 GB/T6070 DYC-Q100
100
165
145
140
121
8-M8
GB/T6070 DYC-Q125
125
200
175
185
138
8-M10
GB/T6070 DYC-Q150
150
220
195
211
145
8-M10 JB-919-75 DYC-Q160
160
225
200
211
150
8-M10 GB/T6070 DYC-Q200
200
285
260
240
180
12-M10
GB/T6070 DYC-Q250
250
335
310
290
204
12-M10 GB/T6070 注:DYC-Q65法兰采用JB919标准
-
文件大小: 1.2MB
关键词:
上一个
下一个
推荐产品
公司拥有真空插板阀、真空挡板阀、真空球阀、真空蝶阀、真空电磁充气阀、真空隔膜阀、真空微调阀等产品,共计30多个系类,400+品种。
产品咨询
带*号是必填项!可以咨询包括产品,公司内的任何问题,请务必填写正确的联系方式,以便我们能及时给你回复!