- 技术参数
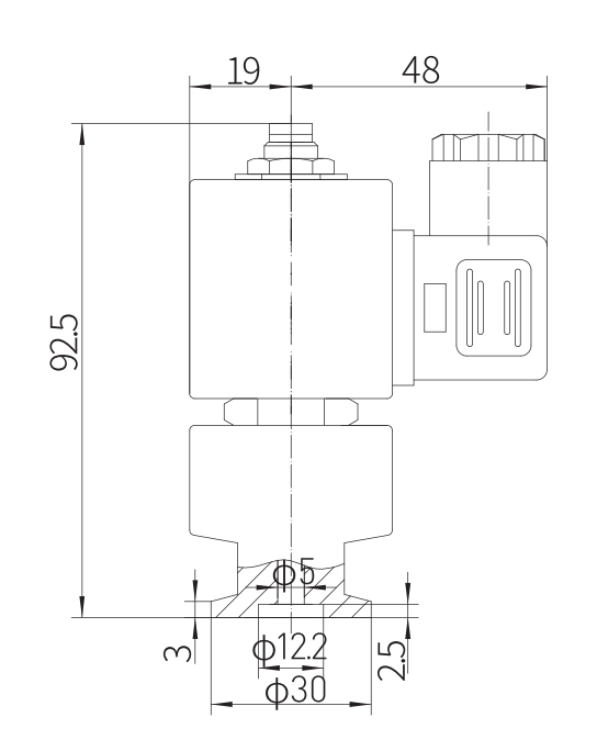
- 外形尺寸图
- 电子样本下载
-
- 商品名称: 电磁高真空带充气阀
- 商品编号: E-003
- 型号: GQC型系列
GQC-4型系列电磁高真空充气阀具有通电开启和通电关闭两种功能。 阀内带有空气过滤器,可用作向真空系统充气。 阀门适用的介质为空气及非腐蚀性气体。
- 型号 GQC-4
- 适用范围(Pa) 105 ~1.3×10-4
- 阀门漏率(Pa.L/S) ≤1.3×10-4
- 法兰标准 GB4982-2003
- 标准出厂 断电时阀门处于开启状态,可选断电关闭(可选常开或常闭)
-

连接及外形尺寸
型号 通径(DN) ΦW ΦD H h 电气参数 电源 功率 GQC-4 4 尺寸如图所示 AC200V 15W DC24V 18W
-
文件大小: 1.6MB
关键词:
推荐产品
公司拥有真空插板阀、真空挡板阀、真空球阀、真空蝶阀、真空电磁充气阀、真空隔膜阀、真空微调阀等产品,共计30多个系类,400+品种。
产品咨询
带*号是必填项!可以咨询包括产品,公司内的任何问题,请务必填写正确的联系方式,以便我们能及时给你回复!